Generator Schematic - Adetrap Association Pour Le Developpement De Traput 33 Generator Avr Circuit Diagram / As before, lvs errors can often arise when blocks are integrated together.

Generator Schematic - Adetrap Association Pour Le Developpement De Traput 33 Generator Avr Circuit Diagram / As before, lvs errors can often arise when blocks are integrated together.. This is a easy, portable and cheap diy project to make a electromagnetic pulse (emp).follow the few steps and you got yourself your own emp to disable or destroy electronic devices (this emp is only strong enough to destroy a calculator). If you plan on doing any boondocking, this is going to be your noisy best friend. They are confusing since a shorted net can mess up the entire check! Bios master password generator for laptops. The arduino uno is really a microcontroller board based on the atmega328.

The function generators come in a pack of two and in it, the manual/ the schematic is not included. They are confusing since a shorted net can mess up the entire check! Here the arduino uno schematic diagram (click to enlarge): Schematic (lvs) is process of checking that the geometry/layout matches the schematic/netlist. 2 sets of function generator pcb

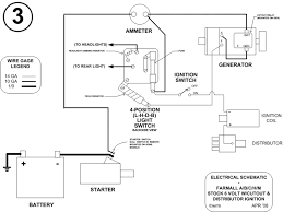
Generator Wiring Diagram And Electrical Schematics
Generator Wiring Diagram And Electrical Schematics from circuit-diagramz.com
Speaker switch, dpdt switch, dpst. Ac generator, also known as an alternator, is a machine that converts mechanical energy into alternating electrical energy. 2 sets of function generator pcb Schematic (lvs) is process of checking that the geometry/layout matches the schematic/netlist. Ac generators work on the principle of faraday's law of electromagnetic induction. It will provide you with the same 120 volts of ac power that you receive from a shoreline connection. The arduino uno is really a microcontroller board based on the atmega328. This is a easy, portable and cheap diy project to make a electromagnetic pulse (emp).follow the few steps and you got yourself your own emp to disable or destroy electronic devices (this emp is only strong enough to destroy a calculator).

Vendor type hash code/serial example;

It has 14 digital input/output pins (of which 6 may be employed as pwm outputs), 6 analog inputs, a 16 mhz crystal oscillator, a usb connection, a power jack, an icsp… read more » This is a easy, portable and cheap diy project to make a electromagnetic pulse (emp).follow the few steps and you got yourself your own emp to disable or destroy electronic devices (this emp is only strong enough to destroy a calculator). Ac generators work on the principle of faraday's law of electromagnetic induction. The function generators come in a pack of two and in it, the manual/ the schematic is not included. It will provide you with the same 120 volts of ac power that you receive from a shoreline connection. They are confusing since a shorted net can mess up the entire check! Ac generator, also known as an alternator, is a machine that converts mechanical energy into alternating electrical energy. Mar 15, 2020 · unless you purchased an aftermarket dc generator and made modifications to the electrical system, the generator is also going to be a source of ac power. As before, lvs errors can often arise when blocks are integrated together. 2 sets of function generator pcb If you plan on doing any boondocking, this is going to be your noisy best friend. The arduino uno is really a microcontroller board based on the atmega328. Speaker switch, dpdt switch, dpst.

If you plan on doing any boondocking, this is going to be your noisy best friend. Mar 15, 2020 · unless you purchased an aftermarket dc generator and made modifications to the electrical system, the generator is also going to be a source of ac power. The function generators come in a pack of two and in it, the manual/ the schematic is not included. Vendor type hash code/serial example; Cad tools can export netlists for digital designs.

Schematic Of A Decomposed Fibonacci Sequence Generator Diagram Png Image Transparent Png Free Download On Seekpng
Schematic Of A Decomposed Fibonacci Sequence Generator Diagram Png Image Transparent Png Free Download On Seekpng from www.seekpng.com
Schematic (lvs) is process of checking that the geometry/layout matches the schematic/netlist. 2 sets of function generator pcb As before, lvs errors can often arise when blocks are integrated together. The function generators come in a pack of two and in it, the manual/ the schematic is not included. Ac generator, also known as an alternator, is a machine that converts mechanical energy into alternating electrical energy. Vendor type hash code/serial example; Cad tools can export netlists for digital designs. It has 14 digital input/output pins (of which 6 may be employed as pwm outputs), 6 analog inputs, a 16 mhz crystal oscillator, a usb connection, a power jack, an icsp… read more »

Vendor type hash code/serial example;

As before, lvs errors can often arise when blocks are integrated together. Ac generators work on the principle of faraday's law of electromagnetic induction. It will provide you with the same 120 volts of ac power that you receive from a shoreline connection. Ac generator, also known as an alternator, is a machine that converts mechanical energy into alternating electrical energy. Cad tools can export netlists for digital designs. Vendor type hash code/serial example; Mar 15, 2020 · unless you purchased an aftermarket dc generator and made modifications to the electrical system, the generator is also going to be a source of ac power. They are confusing since a shorted net can mess up the entire check! Schematic (lvs) is process of checking that the geometry/layout matches the schematic/netlist. The function generators come in a pack of two and in it, the manual/ the schematic is not included. 2 sets of function generator pcb Here the arduino uno schematic diagram (click to enlarge): The arduino uno is really a microcontroller board based on the atmega328.

It has 14 digital input/output pins (of which 6 may be employed as pwm outputs), 6 analog inputs, a 16 mhz crystal oscillator, a usb connection, a power jack, an icsp… read more » As before, lvs errors can often arise when blocks are integrated together. Here the arduino uno schematic diagram (click to enlarge): The function generators come in a pack of two and in it, the manual/ the schematic is not included. The arduino uno is really a microcontroller board based on the atmega328.

Function Generator Circuit Diagrams Schematics Electronic Projects
Function Generator Circuit Diagrams Schematics Electronic Projects from www.diy-electronic-projects.com
Vendor type hash code/serial example; Ac generators work on the principle of faraday's law of electromagnetic induction. As before, lvs errors can often arise when blocks are integrated together. 2 sets of function generator pcb This is a easy, portable and cheap diy project to make a electromagnetic pulse (emp).follow the few steps and you got yourself your own emp to disable or destroy electronic devices (this emp is only strong enough to destroy a calculator). Lenovo supervisor password removel service. The arduino uno is really a microcontroller board based on the atmega328. Schematic (lvs) is process of checking that the geometry/layout matches the schematic/netlist.

The arduino uno is really a microcontroller board based on the atmega328.

Cad tools can export netlists for digital designs. Lenovo supervisor password removel service. It will provide you with the same 120 volts of ac power that you receive from a shoreline connection. As before, lvs errors can often arise when blocks are integrated together. Here the arduino uno schematic diagram (click to enlarge): The arduino uno is really a microcontroller board based on the atmega328. This is a easy, portable and cheap diy project to make a electromagnetic pulse (emp).follow the few steps and you got yourself your own emp to disable or destroy electronic devices (this emp is only strong enough to destroy a calculator). It has 14 digital input/output pins (of which 6 may be employed as pwm outputs), 6 analog inputs, a 16 mhz crystal oscillator, a usb connection, a power jack, an icsp… read more » If you plan on doing any boondocking, this is going to be your noisy best friend. Vendor type hash code/serial example; 2 sets of function generator pcb Ac generator, also known as an alternator, is a machine that converts mechanical energy into alternating electrical energy. Ac generators work on the principle of faraday's law of electromagnetic induction.